亚洲人成网77777色在线播放,日本不卡免费高清视频在线,亚洲福利一区

產品目錄
聯系報價
緊急熱線
聯系銷售
服務與解決方案
翼凱機械為耐磨材料解決方案專家。我們竭誠為您產線提供一站式耐磨材料解決方案服務和科學解決方案,同時為您節省成本以及精力。向您提供專業的解決方案是我們的強項。上海翼凱機械設備有限公司積極帶給您國內外的材料技術解決方案,同時還為您提供專業的技術指導以及支持服務。
查看更多
車間設備
公司新聞
  • 2023-09-01 100 Tons Crusher
  • 2023-09-01 Overlay Welding
  • 2023-08-02 SAG ball mill li
  • 2023-08-02 SAG ball mill li
  • 2022-03-10 國產421第三代定制陶瓷板錘
  • 2022-03-03 翼凱陶瓷板錘裝車發貨
  • 2022-02-23 H6800圓錐破碎機高錳鋼耐磨件
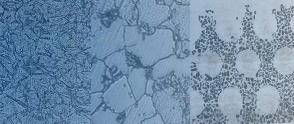
質量控制
查看更多>>
我們嚴肅認真對待產品質量!翼凱機械質量控制體系控制產品原材料,化成成份,尺寸精度,金相組織,產品內部以及表面質量等。產品的質檢標準嚴格按照國標GB,也可以美標ASTM等其他執行并驗收。
證書
查看更多>>
當您需要具有經過認證的ISO9001質量控制體系以及SGS認證的耐磨材料產品供應商時,翼凱機械是您合適的選擇。我們有強烈的質量控制意識以及完善的質量控制體系。 所有的產品合格后,方可入庫發貨。
客戶反饋
查看更多>>
翼凱機械始終與客戶保持良好的溝通,聽取他們對我們產品質量的反饋。我們希望通過客戶反饋來完善我們的產品 … 查看更多
云林县 东明县 彭山县 广灵县 井冈山市 德清县
黄骅市 潼关县 贵州省 德江县 穆棱市 凤台县
财经 上高县 长武县 镇宁 即墨市 鱼台县
泛站蜘蛛池模板: 白银市| 容城县| 孟村| 关岭| 专栏| 鄂尔多斯市| 广饶县| 怀化市| 瑞昌市| 利辛县| 德江县| 阿荣旗| 涟水县| 浙江省| 六枝特区| 高淳县| 上犹县| 江西省| 慈溪市| 溧阳市| 循化| 凭祥市| 仪陇县| 珠海市| 临西县| 武乡县| 靖边县| 灵丘县| 远安县| 吴川市| 墨江| 西乌珠穆沁旗| 承德县| 武宁县| 荔波县| 涿州市| 满洲里市| 肥城市| 天峨县| 罗平县| 万荣县|